简体中文
菜单 关闭
关闭
产品中心
产品参数
产品详情

电气特性 Ectrical Characteristics

额定电压 Rated Voltage AC/DC60V

额定电流 Rated Current Power 15A Signal 2A

耐压 Withstanding Voltage 500V

绝缘阻抗 Insulation Resistance >20MΩ

接触电阻 Contact Resistance <10mΩ

机械性能 Mechanical Characteristics

推荐使用次数 Mating Cycles 200 cycles

插入力 :30max 拔出力 : /

耐环境性能 Environment Characteristics

防护等级 Protection Level IP67

工作温度 Operation Temperature -25°C~+80°C

其它规格 Other Specification

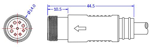
最大直径 Maximum Diameter 14mm

接触件材质 Contact Material 镀金铜

电缆规格 Cable Spec. 电源 15AWG 信号 24AWG

Copyright © 2021-2029 Suzhou Linkwe New Energy Technology Co., Ltd All Rights Reserved.  Sitemap 备案号:苏ICP备2024137137号-1