简体中文
菜单 关闭
关闭
产品中心
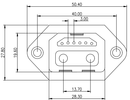
产品参数
产品详情
电气特性 Electrical Characteristics
额定电压 Rated Voltage AC/DC60V
额定电流 Rated Current Power40A ;Signal 2A
耐压 Withstanding Voltage 500V
绝缘阻抗 Insulation Resistance >20MΩ
接触电阻 Contact Resistance <10mΩ
机械性能 Mechanical Characteristics
推荐使用次数 Mating Cycles 2000 cycles
插拔力Insertion and Pull Force 插入力 : 100N max ---- 拔出力 : 50N min
耐环境性能Environment Characteristics
防护等级 Protection Level /
工作温度 Operation Temperature -25°C~+80°C
其它规格 Other Specification
最大直径 Maximum Diameter 50mm
接触件材质 Contact Material 镀锡铜
电缆规格 Cable Spec 电源 11AWG ;信号 24AWG

Copyright © 2021-2029 Suzhou Linkwe New Energy Technology Co., Ltd All Rights Reserved.  Sitemap 备案号:苏ICP备2024137137号-1